Welcome to the official website of Airhank
Current location:Home page > Product > High speed turbine blower > HANK150-22
HANK150-22
Data download
Data download
Characteristic curve

Performance data
| Technical parameter | HANK150-22 | |
|---|---|---|
| Maximum flow | m3/h | 2100 |
| Vacuum suction | mbar | -285 |
| Rated blowing force | mbar | 290 |
| Frequency | Hz | 50 |
| Voltage | V | 380 |
| Current consumption | A | 38.9 |
| Power | kW | 22 |
| Motor speed | min-1 | 2800 |
| Weight | Kg | 180 |
| Noise value | dB (A) | 62 |
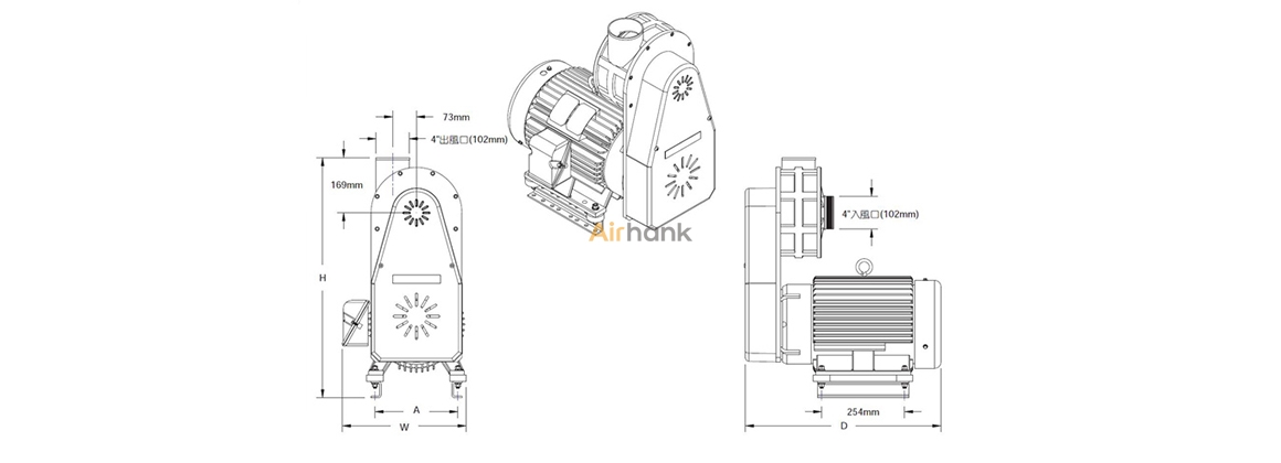
Technical drawings

Contact us quickly
Do you have any questions about air drying system and fluid solutions,Contact:+86 (0769) 2311 5899 Mail:[email protected]
*Please fill in the requirement information carefully,We will contact you within 24 hours.
Industrial Air Blower
Wind Knife And Air Knife
Address:3/F, Wanhang Industrical Park, Niushan New Village,Dongcheng Street,
Dongguan City,
Guangdong Province,
China
Mobile:+86 15920245670
Fax:+86 (0769)2311 5099
E-mail:[email protected]
COPYRIGHT ? 2014-2017 Dongguan Airhank Electrical Technology Co., Ltd. All Rights Reserved.
Dongguan Airhank Electrical Technology Co., Ltd.
3/F, Wanhang Industrical Park, Niushan New Village,Dongcheng Street,
Dongguan City,
Guangdong Province,
China